Продам дві буханки по з/Ч

Объявления о единичных не регулярных продажах, покупках, обменах, дарениях

Модератори: MudMax, Student, Модераторы форума

Правила форуму
В даному розділі можна публікувати оголошення про продаж, купівлю, обмін, дарування та прийняття в дар одиничних екземплярів товарів та послуг на не регулярних засадах.

Заборонено створення одним користувачем більше 3 тем або 5 повідомлень за добу.

Назва теми повинна включати слово Продам/Куплю/Обміняю/Подарую/Подаруйте, а також коротку назву об’єкту купівлі/продажу/обміну/дарування.

в оголошенні повинно бути вказано:
- об'єкт продажу;
- стислий опис об'єкту продажу;
- ціна;
- місце знаходження продавця;
- контактна інформація продавця;
- за можливості - фото.

Після завершення продажу (купівлі, ...) необхідно закрити тему за допомогою відповідної кнопки внизу сторінки теми, без публікації повідомлення в темі, що її закрито.

Користувачам забороняється підіймати тему повідомленнями, що не несуть нової інформації по темі, якщо від публікації останнього повідомлення в ній пройшло менше, ніж півмісяця. Підняття теми під приводом зниження ціни на величину, меншу ніж 1%, або 10грн, також каратиметься згідно пункту 2.10 Правил.

Для публікації оголошень про не одиничні (масові), або регулярні продаж, купівлю, обмін, дарування та прийняття в дар є розділ Коммерческие Объявления.

Для публікації оголошень про зустрічі та майбутні події є розділ Встречи.

Продам дві буханки по з/Ч

Повідомлення Олег 1586 » Чет вересня 26, 2013 11:03

Одна 95р.в.,друга старша.Деяких агрегатів вже немає.Детальні фото на мило або в лс.Терноп.обл.,м.Бережани,відправка Нова Пошта.0979356740
Двигун 417 з навісним,робочий-1200грн
мости по 1200грн
двері по 100-150грн
лобове-50грн
бампер-100грн
пічка комплектна-100грн
решітка-50грн
кп+рк-1500грн
кардани 100-200грн
лючок-30грн
моторчик двірників з механізмом-100грн
ресори(трохи стерті) 60-100грн пачка
рама-600грн
кронштейни ресор-25грн шт
стремянки-10грн шт
капот-50грн
тяги рк(повний комплект)-150грн
поліки-80грн пара
рульове-250грн
фарошукач-100грн
фаркоп 50-100грн
педалі під гідравліку(комплект)-150грн
[img][IMG]http://i.piccy.info/i8/3e65976c51d76ff6b429764db8f2944f/1380182260/7417/622220/Foto0289_240.jpg[/img]Зображення
[/img]
[img][IMG]http://i.piccy.info/i8/c09f669496768e3f42a6fc5650b6df8c/1380182411/8983/622220/Foto0291_240.jpg[/img]Зображення
[/img]
[img][IMG]http://i.piccy.info/i8/b1ef4603eb0e2933241d86b9301a368b/1380182343/8746/622220/Foto0290_240.jpg[/img]Зображення
[/img]
[img][IMG]http://i.piccy.info/i8/503b27df6df0c6a66c2519e8aa21f0ce/1380182449/8247/622220/Foto0292_240.jpg[/img]Зображення
[/img]
Востаннє редагувалось Олег 1586 в Чет вересня 26, 2013 20:15, всього редагувалось 1 раз.
Олег 1586
Участник движения
 
Повідомлення: 307
З нами з: Суб лютого 04, 2012 19:35
Звідки: Тернопільська обл.,м.Бережани 0979356740
Телефон: 0979356740
Машина: Уаз-469,3303.Sprinter.Master

Re: Продам дві буханки по з/Ч

Повідомлення Student » Чет вересня 26, 2013 11:59

Добавьте цены.
Модератор
Что не убивает, то делает нас сильнее.
Аватар користувача
Student
Член клуба
 
Повідомлення: 3789
З нами з: Вів березня 27, 2007 17:18
Звідки: Киев, Соломенка
Телефон: +38050949 три три 29
Машина: УАЗ-31514

Re: Продам дві буханки по з/Ч

Повідомлення ice » Чет вересня 26, 2013 13:43

Коробка/раздатка без механизмов переключения(у меня 469) сколько?
Естественно бронь до выяснения.
Доборолась Україна до самого краю. Гірше ляха свої діти її розпинають Т.Г. Шевченко
Аватар користувача
ice
Участник движения
 
Повідомлення: 554
З нами з: Сер вересня 12, 2012 9:09
Звідки: Ніжин
Машина: УАЗ-469Б MONSTER

Re: Продам дві буханки по з/Ч

Повідомлення ice » Чет вересня 26, 2013 13:50

Звонил Олегу. Бронь на коробку+роздатку до понедельника - они еще на машинах стоят и неизвестно состояние.
Доборолась Україна до самого краю. Гірше ляха свої діти її розпинають Т.Г. Шевченко
Аватар користувача
ice
Участник движения
 
Повідомлення: 554
З нами з: Сер вересня 12, 2012 9:09
Звідки: Ніжин
Машина: УАЗ-469Б MONSTER

Re: Продам дві буханки по з/Ч

Повідомлення Felikans » П'ят вересня 27, 2013 22:23

фароискатель бронь до выяснения
Felikans
Участник форума
 
Повідомлення: 26
З нами з: Сер березня 27, 2013 22:49
Машина: УАЗ 469Б

Re: Продам дві буханки по з/Ч

Повідомлення Олег 1586 » Суб вересня 28, 2013 11:20

Олег 1586
Участник движения
 
Повідомлення: 307
З нами з: Суб лютого 04, 2012 19:35
Звідки: Тернопільська обл.,м.Бережани 0979356740
Телефон: 0979356740
Машина: Уаз-469,3303.Sprinter.Master

Re: Продам дві буханки по з/Ч

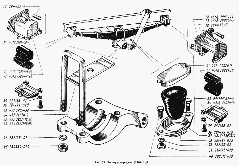
Повідомлення Ignat » Пон вересня 30, 2013 10:26

Доброго дня! А прокладки стремянок на передній міст маєте ? Позиція 45,46 на малюнку... Якщо є, то ціна?
http://i.piccy.info/i8/d834d671f56050d7 ... ka_240.jpg[/IMG][/URL]Зображення
Приєднані файли
буханка.gif
Ignat
Участник разговора
 
Повідомлення: 17
З нами з: Вів січня 31, 2012 13:07
Звідки: Киев

Re: Продам дві буханки по з/Ч

Повідомлення Олег 1586 » Пон вересня 30, 2013 10:30

Ignat написав:Доброго дня! А прокладки стремянок на передній міст маєте ? Позиція 45,46 на малюнку... Якщо є, то ціна?
http://i.piccy.info/i8/d834d671f56050d7 ... ka_240.jpg[/IMG][/URL]Зображення

Є,50грн пара
Олег 1586
Участник движения
 
Повідомлення: 307
З нами з: Суб лютого 04, 2012 19:35
Звідки: Тернопільська обл.,м.Бережани 0979356740
Телефон: 0979356740
Машина: Уаз-469,3303.Sprinter.Master

Re: Продам дві буханки по з/Ч

Повідомлення Ignat » Вів жовтня 01, 2013 10:45

Добре, заберу 4 шт. передніх, якщо є. Реквізити на оплату в ЛС.
А ще мені потрібна шарова опора в нормальному стані... Переходимо в ЛС.
Ignat
Участник разговора
 
Повідомлення: 17
З нами з: Вів січня 31, 2012 13:07
Звідки: Киев

Re: Продам дві буханки по з/Ч

Повідомлення Ignat » Суб жовтня 05, 2013 15:05

Посилку отримав, дякую ! Успіхів !!!
Ignat
Участник разговора
 
Повідомлення: 17
З нами з: Вів січня 31, 2012 13:07
Звідки: Киев

Re: Продам дві буханки по з/Ч

Повідомлення Витос » Суб жовтня 05, 2013 17:35

Цена мостов?
Сбили с ног — сражайся на коленях, ползти не можешь — лежа наступай!
Аватар користувача
Витос
Участник форума
 
Повідомлення: 125
З нами з: Сер листопада 21, 2012 21:49
Звідки: Киев-Татарка
Телефон: 067 706 39 47
Машина: УАЗ 3303 ФОЛЬЦ Т4

Re: Продам дві буханки по з/Ч

Повідомлення Олег 1586 » Суб жовтня 05, 2013 19:41

Витос написав:Цена мостов?

По 1200грн за комплектний міст(мости цивільні),є силові і швидкісні.
Олег 1586
Участник движения
 
Повідомлення: 307
З нами з: Суб лютого 04, 2012 19:35
Звідки: Тернопільська обл.,м.Бережани 0979356740
Телефон: 0979356740
Машина: Уаз-469,3303.Sprinter.Master

Re: Продам дві буханки по з/Ч

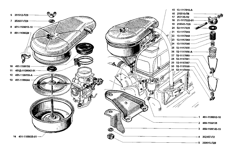
Повідомлення sasha8182 » Суб жовтня 05, 2013 22:30

Доброго дня. Шукаю кронштейн повітряного філтру. На зображенні позиції 2 і 3. Що можете запропонувати.
Приєднані файли
31512025.gif
sasha8182
Участник форума
 
Повідомлення: 93
З нами з: Нед квітня 28, 2013 9:00
Звідки: Хмельницкая обл. г. Дунаевцы
Машина: Уаз 31514

Re: Продам дві буханки по з/Ч

Повідомлення Олег 1586 » Нед жовтня 06, 2013 15:28

Олег 1586
Участник движения
 
Повідомлення: 307
З нами з: Суб лютого 04, 2012 19:35
Звідки: Тернопільська обл.,м.Бережани 0979356740
Телефон: 0979356740
Машина: Уаз-469,3303.Sprinter.Master

Re: Продам дві буханки по з/Ч

Повідомлення Витос » Нед жовтня 06, 2013 22:28

И я хочу фароискатель но кинте фото стекла
Сбили с ног — сражайся на коленях, ползти не можешь — лежа наступай!
Аватар користувача
Витос
Участник форума
 
Повідомлення: 125
З нами з: Сер листопада 21, 2012 21:49
Звідки: Киев-Татарка
Телефон: 067 706 39 47
Машина: УАЗ 3303 ФОЛЬЦ Т4

Далі

Повернутись до Частные объявления

Хто зараз онлайн

Зараз переглядають цей форум: Немає зареєстрованих користувачів і 1 гість