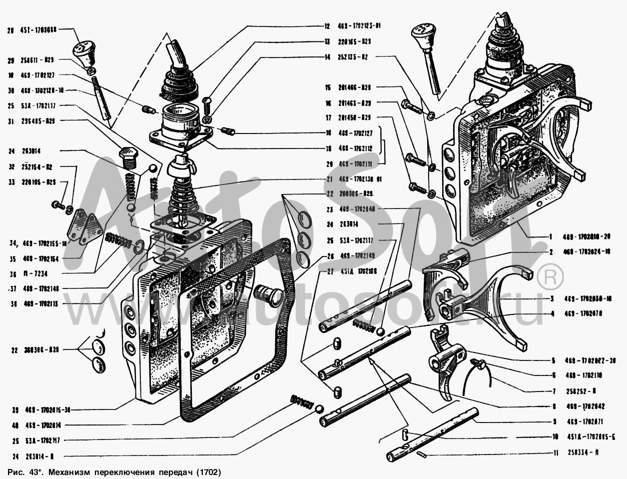
Смотрел по каталогам, вроде были одинаковые каталожные номера вилок на обычную и 4-х синхронку.
Вчера попытался поставить на 4-х синхронку крышку с вилками от обычного КПП. Не вышло.
Понял что муфты переключения передач (если не ошибаюсь 3 и 4) разные (в 4-х синхронке больше), посему вилка с обычно КПП не влезла
Подскажите, что к чему, ошибся я или нет?
Большое УАЗоводовское спасибо


