Площадка для перевозки колёс!

Разговоры о железе - конструкции, ремонте, тюнинге и т.д. и т.п.

Модератор: Модераторы форума

Площадка для перевозки колёс!

Повідомлення Nikola » Нед лютого 08, 2015 19:47

Думаю многие сталкивались с проблемой транспортировки грязевой резины к месту соревнований или других меропреятий.И стаёт проблема как с собой вести колёса,кто цепляет за уазом прицеп,кто складывает в салон.Кому друзья везут бусом или малым грузовиком.Но то и другое в это не лёгкое время очень затратно и не удобно.Я решил эту проблему по своему.Не очень красиво но практично.Вся конструкция скидывается с УАЗа вместе с шинами за 5 минут.Вот фото!Критика и предложения принимаются!!!
ЗображенняЗображення
ЗображенняЗображення
ЗображенняЗображення
ЗображенняЗображення
Если с УАЗа не течёт масло, значит оно закончилось..
[url=http://s-u.su][img]http://s-u.su/s/w4vy140y.png[/img][/url]
Аватар користувача
Nikola
Участник движения
 
Повідомлення: 468
З нами з: Чет вересня 15, 2011 21:35
Звідки: Красноград Харьковская обл 0995657116

Re: Площядка для перевозки колёс!

Повідомлення Pooh » Пон лютого 09, 2015 0:42

Я би не довіряв одній стяжці, хоча би дві. Одна на ліво, друга на право. Через цетр, через диск.
І друге питання, як уаз себе почуває призагрузці +/- 200кг.(сільверів) на задницю машини? Я вже не говорю про вигляд. А якщо покатушка стартує на одній горі, а фініш на другій. То всю ту приблуду треба везти з собою. Мабуть не дуже приємно возитись.
Аватар користувача
Pooh
Участник движения
 
Повідомлення: 244
З нами з: Пон березня 15, 2010 18:19
Звідки: Львів
Машина: УАЗ Патріот

Re: Площядка для перевозки колёс!

Повідомлення Student » Пон лютого 09, 2015 11:29

А мне нравиться! Очень оригинальное решение проблемы перевозки колес, я такого раньше никогда не видел.
Что не убивает, то делает нас сильнее.
Аватар користувача
Student
Член клуба
 
Повідомлення: 3789
З нами з: Вів березня 27, 2007 17:18
Звідки: Киев, Соломенка
Телефон: +38050949 три три 29
Машина: УАЗ-31514

Re: Площядка для перевозки колёс!

Повідомлення Nikola » Пон лютого 09, 2015 13:53

Pooh написав:Я би не довіряв одній стяжці, хоча би дві. Одна на ліво, друга на право. Через цетр, через диск.
І друге питання, як уаз себе почуває призагрузці +/- 200кг.(сільверів) на задницю машини? Я вже не говорю про вигляд. А якщо покатушка стартує на одній горі, а фініш на другій. То всю ту приблуду треба везти з собою. Мабуть не дуже приємно возитись.
Внимательно посмотрите на 3фото там за основу по центру труба со стенкой 4ммтак что можно и вовсе без ростяжек,Ответ на второй вопос о весе,нас становилось 4 человека и дружно прыгали,визуально всё нормуль.И соревнования у нас восновном триал или спринт,где стартовал там и финишировал,гор таких как у вас у нас к большому сожалению нету.
Если с УАЗа не течёт масло, значит оно закончилось..
[url=http://s-u.su][img]http://s-u.su/s/w4vy140y.png[/img][/url]
Аватар користувача
Nikola
Участник движения
 
Повідомлення: 468
З нами з: Чет вересня 15, 2011 21:35
Звідки: Красноград Харьковская обл 0995657116

Re: Площядка для перевозки колёс!

Повідомлення johny » Вів лютого 10, 2015 0:33

Привіт Микола! Класна приблуда, так можна і щось інше перевозити.
Аватар користувача
johny
Участник движения
 
Повідомлення: 584
З нами з: Вів квітня 19, 2011 19:46
Звідки: Чернівці

Re: Площядка для перевозки колёс!

Повідомлення Nikola » Вів лютого 10, 2015 8:40

Та на что-то другое у меня есть 2-х осный прицеп.
Если с УАЗа не течёт масло, значит оно закончилось..
[url=http://s-u.su][img]http://s-u.su/s/w4vy140y.png[/img][/url]
Аватар користувача
Nikola
Участник движения
 
Повідомлення: 468
З нами з: Чет вересня 15, 2011 21:35
Звідки: Красноград Харьковская обл 0995657116

Re: Площядка для перевозки колёс!

Повідомлення RomikV » Чет лютого 12, 2015 20:48

А по ПДР хiба можна щоб за габарити виходило?
Тент. Дв. 417. К-126гу.Гидроблок.Термос МЕРС. Колхозы. БТР блок зад.мост. Лифт-7см. Серьги ГАЗель. Бампер ГАЗ 66 защита фар ЗИЛ 131
Аватар користувача
RomikV
Участник движения
 
Повідомлення: 312
З нами з: Вів листопада 29, 2011 18:14
Звідки: Полтава
Телефон: 06659три878три 096два136два61
Машина: 31512

Re: Площядка для перевозки колёс!

Повідомлення shpion » П'ят лютого 13, 2015 1:47

Читайте ПДР :wink:
Не далі, чим на метр і то можна прапорець повісити.
shpion
Участник движения
 
Повідомлення: 604
З нами з: Нед лютого 26, 2012 13:21
Звідки: Черкассы
Машина: 31514

Re: Площядка для перевозки колёс!

Повідомлення Nikola » Суб лютого 14, 2015 9:27

98см от плафонов что в бампере,а вообще планируются маленькие плафоны
Если с УАЗа не течёт масло, значит оно закончилось..
[url=http://s-u.su][img]http://s-u.su/s/w4vy140y.png[/img][/url]
Аватар користувача
Nikola
Участник движения
 
Повідомлення: 468
З нами з: Чет вересня 15, 2011 21:35
Звідки: Красноград Харьковская обл 0995657116

Re: Площядка для перевозки колёс!

Повідомлення RomikV » Нед лютого 15, 2015 1:44

Раджу для уникнення питань зі сторони ДАІ возити з собою рулетку, бажано з вирізаними 10-15 см :-) Щоб так сказати аргументи були вагоміші.
Тент. Дв. 417. К-126гу.Гидроблок.Термос МЕРС. Колхозы. БТР блок зад.мост. Лифт-7см. Серьги ГАЗель. Бампер ГАЗ 66 защита фар ЗИЛ 131
Аватар користувача
RomikV
Участник движения
 
Повідомлення: 312
З нами з: Вів листопада 29, 2011 18:14
Звідки: Полтава
Телефон: 06659три878три 096два136два61
Машина: 31512

Re: Площядка для перевозки колёс!

Повідомлення Bobikus » Вів лютого 17, 2015 12:13

+ конструкція рухома, не ламається, якщо нею зачепити землю, значить довготривала і надійна
+ непогане рішення з точки зору зручності, добра висота для завантаження важких коліс
- блокує доступ до багажника в поїздці, для прикладу, щоби дістати запасне взуття треба знімати запасні колеса.
- працює лише на радіальних покатушках, тобто там, де місце старту одночасно є місцем фінішу. Якщо ж це такі покатушки, як, наприклад "Карпатський Кордон" то конструкцію доведеться возити з собою, що означає зменшення заднього звісу а відтак і погану прохідність - при великих ямах, заїздах і зїздах з підйомів, ровах впиратиметься і не даватиме проїхати. Так само виконуватиме роль якоря в глибоких болотах, нівелюючи перевагу коліс, які сама ж привезла.
freshoffroad.com
Аватар користувача
Bobikus
Участник движения
 
Повідомлення: 3226
З нами з: Сер грудня 05, 2007 22:59
Звідки: Львів-Київ
Машина: УАЗ 469БГГ

Re: Площядка для перевозки колёс!

Повідомлення Айри » Сер лютого 18, 2015 3:54

Bobikus написав:...блокує доступ до багажника в поїздці, для прикладу, щоби дістати запасне взуття треба знімати запасні колеса...
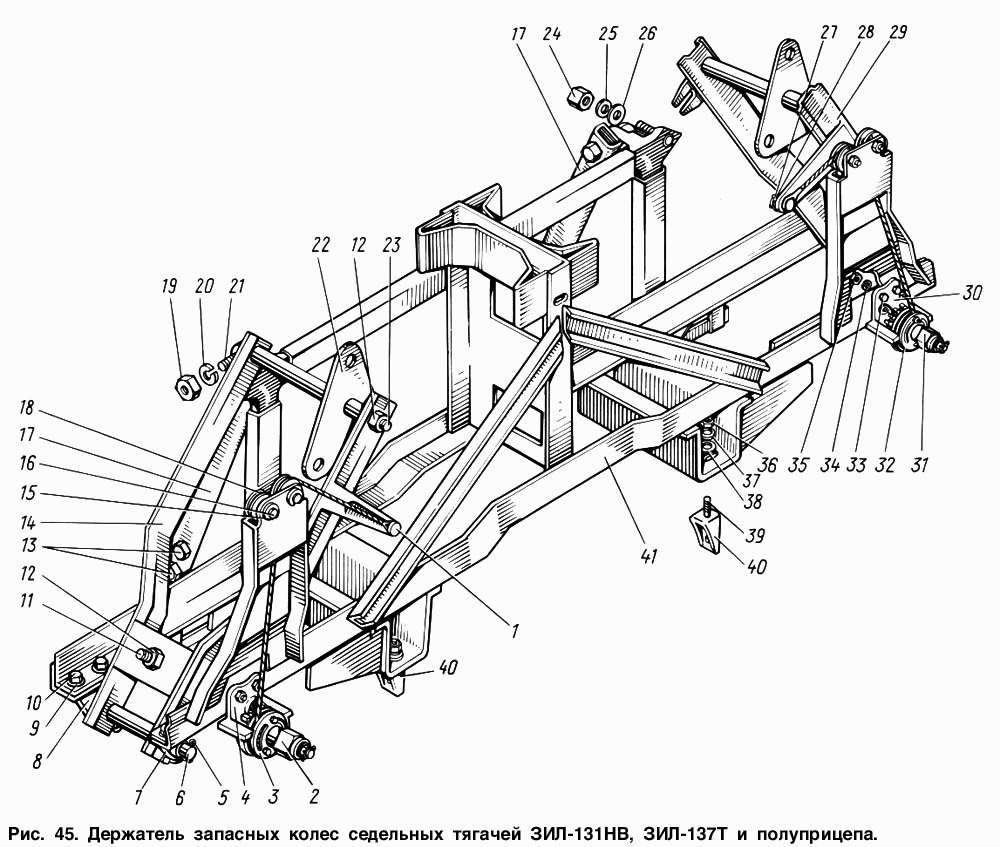
Напрашивается конструкция, как в ЗиЛ-131, когда запаска "опрокидывается" набок почти до самой земли.
То есть сделать на заднем бампере слева и справа две откидывающиеся "лапы" с креплением по два колеса на каждой.

п.с. не знаю на счет целесообразности, но как идея - почему нет? ))
Приєднані файли
131-3.jpg
131-2.jpg
131-1.gif
131.jpg
Каждый человек - эгоист, поэтому больше всего любит то, во что больше вложил себя...
Всегда улыбайся... Себе жизнь продлишь, друзей порадуешь, врагов побесишь.

http://aerie.io.ua
Аватар користувача
Айри
Участник движения
 
Повідомлення: 5818
З нами з: Сер травня 25, 2005 13:14
Звідки: Киев, Оболонь, 10.ХІ.1976
Машина: УАЗ-31601

Re: Площядка для перевозки колёс!

Повідомлення Nikola » Чет лютого 19, 2015 20:31

Bobikus написав:- працює лише на радіальних покатушках, тобто там, де місце старту одночасно є місцем фінішу.

Я саме для таких покатушок робив цю рамку
Если с УАЗа не течёт масло, значит оно закончилось..
[url=http://s-u.su][img]http://s-u.su/s/w4vy140y.png[/img][/url]
Аватар користувача
Nikola
Участник движения
 
Повідомлення: 468
З нами з: Чет вересня 15, 2011 21:35
Звідки: Красноград Харьковская обл 0995657116

Re: Площядка для перевозки колёс!

Повідомлення Nikola » Чет лютого 19, 2015 20:38

Bobikus написав:- блокує доступ до багажника в поїздці, для прикладу, щоби дістати запасне взуття треба знімати запасні колеса.
.

Через спинку задних сидений нагнулся и всё,я никогда не открывал борт
Если с УАЗа не течёт масло, значит оно закончилось..
[url=http://s-u.su][img]http://s-u.su/s/w4vy140y.png[/img][/url]
Аватар користувача
Nikola
Участник движения
 
Повідомлення: 468
З нами з: Чет вересня 15, 2011 21:35
Звідки: Красноград Харьковская обл 0995657116


Повернутись до Общие вопросы

Хто зараз онлайн

Зараз переглядають цей форум: Немає зареєстрованих користувачів і 0 гостей

cron